聯係電話:
0523-8733 8088
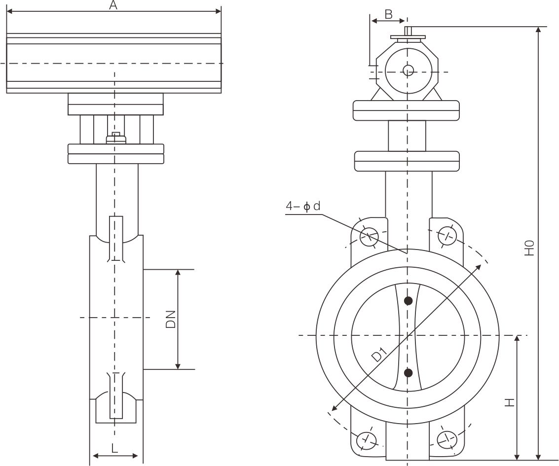
產品詳情
軟密封蝶閥通常用於溫度≤120℃,公稱壓力≤1.6MPa的食品、醫藥、化工、石油、電力、輕紡、造紙等給排水、氣體管道上作調節流量和截斷流體的作用。其主要特點為:
◆設計新穎、合理,結構緊湊,重量輕,啟閉迅速。
◆操作力矩(jǔ)小,操作方便,省力靈巧。
◆可(kě)以任何位置安裝,維修方便。
◆密封件可以更換,密封性能可靠,能夠達到雙向密封零泄漏。
◆密封材料具有(yǒu)耐老化、耐腐蝕(shí)、使用壽命長等特點。


軟密封蝶閥通常用於溫度≤120℃,公稱壓力≤1.6MPa的食品、醫藥、化工、石油、電力、輕紡、造紙等給排水、氣體管道上作調節流量和截斷流體的作用。其主要特點為:
◆設計新穎、合理,結構緊湊,重量輕,啟閉迅速。
◆操作力矩(jǔ)小,操作方便,省力靈巧。
◆可(kě)以任何位置安裝,維修方便。
◆密封件可以更換,密封性能可靠,能夠達到雙向密封零泄漏。
◆密封材料具有(yǒu)耐老化、耐腐蝕(shí)、使用壽命長等特點。



蘇(sū)公網安備 32128302001489號