Tel
0523-8733 8088
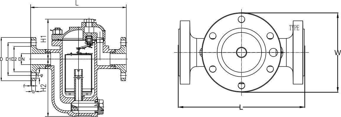
◆The working principle of inverted bucket drain valve depends on the Density contrast between steam and liquid.
◆The valve body and cover are all made of forged/cast steel materials.
◆All internal components are made of stainless steel, and wear allowance has been fully considered in the design of movable parts, which improves the service life of the drain valve.
◆U-shaped flow channel design, achieving water sealing effect and no leakage of steam.
◆A patented and reliable flexible closing system with no steam leakage.
◆Install a waterproof hammer device to prevent water hammer from occurring in the fluid entering the valve body.
◆Built in check valve, suitable for Superheated steam environment.
◆Built in filter, allowing the drain valve to work in a clean environment.
◆Select different displacement curves based on the pressure.






