Tel
0523-8733 8088
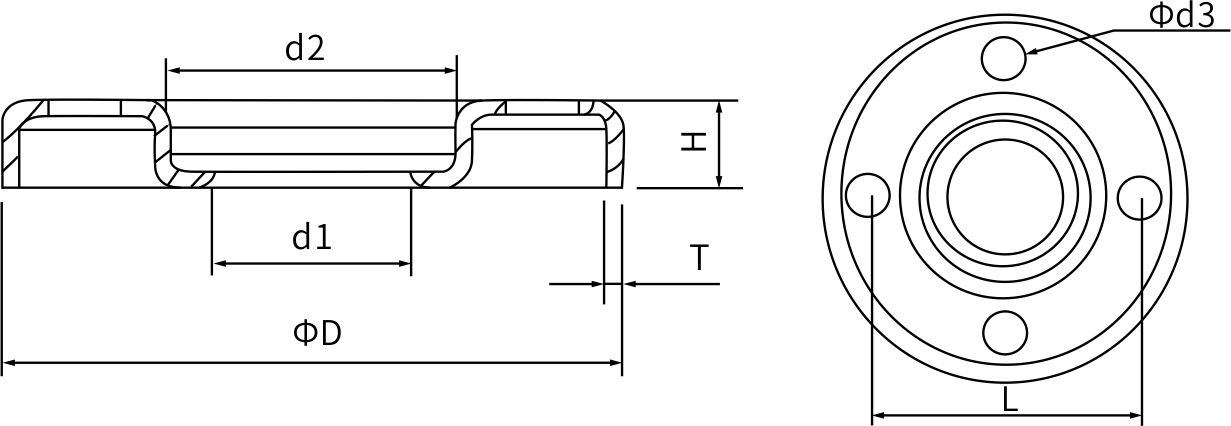
Stainless steel flange flanging and pipe opening flanging movable flanges are mostly used on non-ferrous metals such as copper and aluminum, as well as stainless steel pipelines. Its advantage is that the flange can move freely. The flange is very convenient for threading screws; The disadvantage is that it cannot withstand significant pressure.
The flanging ring plate loose sleeve flange, also known as the non flange air duct, is manufactured in a faster, more convenient, and lower air leakage rate form than traditional rectangular air ducts.






