聯(lián)係電(diàn)話:
0523-8733 8088
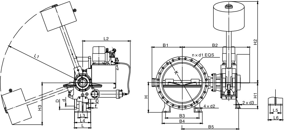
產品詳情
HD7S41X/H液控緩閉止回(huí)蝶閥是(shì)目前國內外(wài)較新型的管路控製設備,具有(yǒu)流阻係數小、智能化程度高、功能齊全、性能穩定(dìng)可靠等優點。主要安裝於水電站水輪機進口,用作(zuò)水輪機進口閥;或安裝於水利(lì)、電力、給排(pái)水等各類泵站的水泵出口,替代(dài)止回閥和閘閥的功能。工作(zuò)時,閥門與(yǔ)管道主機配合(hé),按照(zhào)水(shuǐ)力過渡過程原理,通過預設的啟閉程序,有效消除管路(lù)水錘,實現管路的可靠截止(zhǐ),起到保(bǎo)護管路係統安全的(de)作用。






