Tel
0523-8733 8088
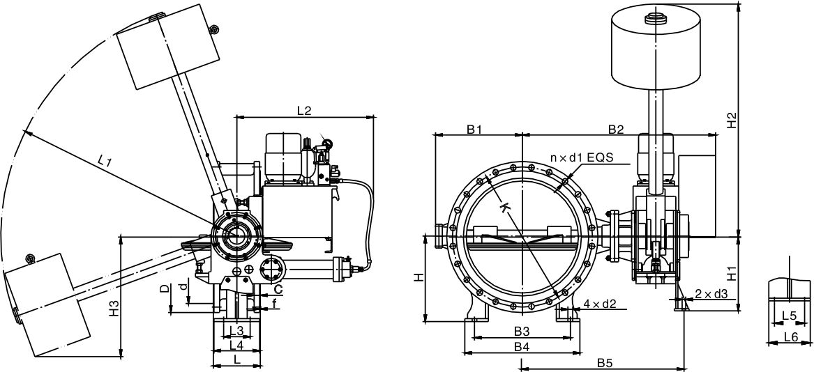
HD7S41X/H hydraulic controlled slow closing check butterfly valve is a relatively new type of pipeline control equipment at home and abroad, with advantages such as low flow resistance coefficient, high intelligence, complete functions, and stable and reliable performance. Mainly installed at the inlet of hydraulic turbines in hydropower stations, used as inlet valves for hydraulic turbines; Or installed at the pump outlet of various pump stations such as water conservancy, electricity, water supply and drainage, to replace the function of check valves and gate valves. During operation, the valve cooperates with the pipeline host, according to the principle of hydraulic transition process, through the preset opening and closing procedures, effectively eliminates the pipeline water hammer, realizes the reliable cut-off of the pipeline, and plays a role in protecting the safety of the Plumbing.






